Sportem ku zdraví: Zapotit se můžete i doma. K tomu Vám dopomůže chytrý domácí trenér!
Příliš šero, příliš chladno, příliš vlhko… to jsou nejčastější výmluvy, jak se v tomto ročním období vyhnout outdoorovým aktivitám. Zde přicházejí na pomoc indoorové sportovní přístroje jako např. rotoped. Kvalitní sportovní stroje, se neobejdou bez vhodné řídící jednotky a tomu pak odpovídá vyšší cena.
Následující příklad ukazuje, že Miniserver působí jako inteligentní, všestranný a alternativní řídící zařízení. Přesvědčte se sami!
Díky vynalézavosti Franka, jednoho z majitelů našeho Miniserveru, Vám můžeme představit jednu z dalších výjimečných možností jeho využití. Na našem fóru jsme se setkali s příspěvkem, ve kterém Miniserver řídí první sportovní zařízení. První inteligentní domácí trenér inspiruje nejen sportovní nadšence mezi námi Loxonauty. To opět dokazuje všestrannost, kterou Loxone Miniserver s trochou vynalézavosti může získat a také to, že se samotné sportovní zařízení může stát součástí chytré domácnosti. Jak? To se dočtete níže:
Chytrý rotoped?
Loxone Miniserver nebude šlapat za Vás, nýbrž podpoří Váš trénink v těchto chladných zimních měsících! A jak takové sportovní zařízení od Franka vypadá? Zde si ho můžete prohlédnout:

Jak můžete vidět výše, nejedná se o stejný rotoped, který můžete vyzkoušet ve fitness studiu. S tzv. tréninkovými válci se stane silniční kolo vhodným i pro indoorový trénink. Díky Miniserveru se stane chytře ovladatelným.
Funkce chytrého domácího trenéra:
Frank aktivoval prostřednictvím App svůj tréninkový program na kole a tím rovněž spustil záznam dat přes Minisever.
“Zaznamenávány” budou následující údaje:
- doba trvání tréninku
- průměrná rychlost
- kilometry ujeté v průběhu tréninku
- kilometry ujeté za týden a
- celkový počet všech doposud ujetých kilometrů

Používat Smartphone během tréninku není vždy optimální – nejenže Vám může navlhnout, ale navíc musíte řešit, kam s ním. Pro svůj individuální tréninkový program využil Frank osvětlení své inteligentní domácnosti: Po uplynutí stanoveného času, ujetí určitého počtu kilometrů, světlo v pokoji třikrát zabliká.
Při deaktivaci tréninkového programu na Smartphone dojde k automatickému zaznamenání ujetých kilometrů do tréninkového deníku. Při další aktivaci se měřič času a vzdálenosti automaticky vynuluje a nový trénink může začít. Jedná se o trošku jiný způsob inteligentního ukládání dat!
A jak takový chytrý rotoped funguje?
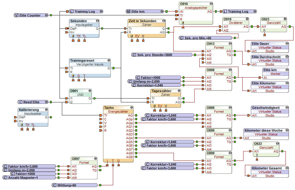
Není to nic složitého! K rámu přípojený čtecí kontakt, taktéž používaný pro sledování otevření okna a dveří, registruje počet otáček. Pomocí hodnot, naměřených přes kontakt, vypočítá Loxone Miniserver průměrnou rychlost, počet kilometrů & atd.
![]() |
![]() |
Všem zájemcům o techniku:
Kontakt je připojen na digitální vstup Miniserveru a vizualizace probíhá prostřednictvím Loxone App. Pro výpočet tréninkových dat byly v Loxone Configu použity vzorce a čítače (funkční blok čítač energií). K dokonalému domácímu trenérovi schází již jen logování dat a je hotovo!
Bez čeho se Váš chytrý domácí trenér neobejde?
Chcete-li dostat ze svého “hloupého” domácího trenéra více, budete potřebovat pouze dva komponenty:
- Loxone Miniserver a
- čtecí kontakt!
Náš konfigurační software a App jsou k dispozici zcela zdarma! Nyní už zbývá navštívit náš internetový obchod a Vašemu chytrému domácímu trenérovi už nestojí nic v cestě!
Máte otázky či potřebujete pomoci? Neváhejte a obraťte se na naši podporu.
Také jste autorem nějaké kuriozity? Podělte se s námi o Vaše zautomatizované nápady! Velice rádi se dozvídáme o kreativním využití našeho Miniserveru!


