Beispielhafte Darstellung zur Verkabelung eines Tasters und eines Verbrauchers

Sie können sowohl konventionelle Taster als auch sogenannte SPS-Taster an den Miniserver anschließen. Mehr zum Thema und Empfehlungen finden Sie in unserem Blog >
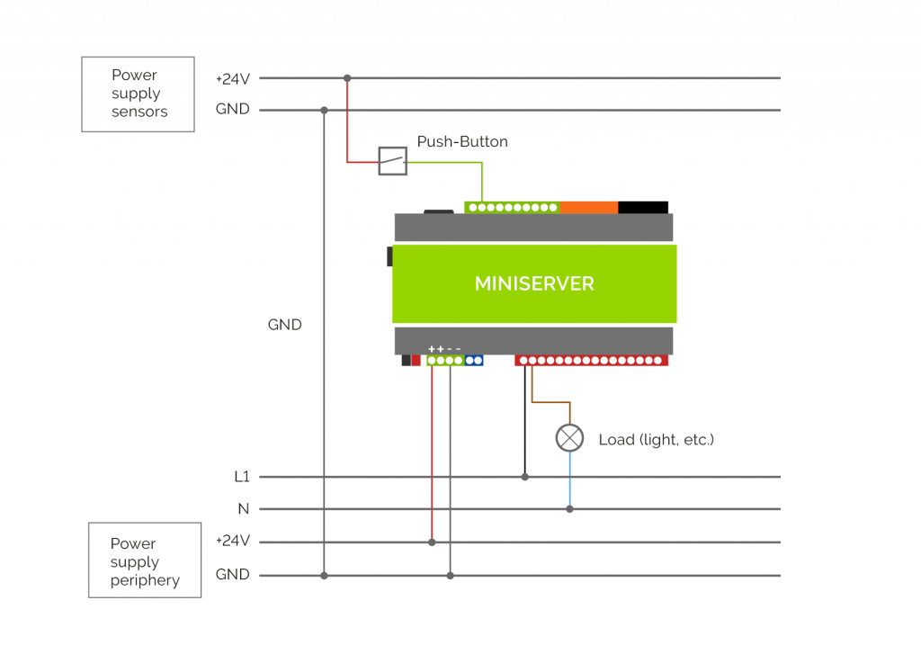
Beispielhafte Darstellung zur Verkabelung eines Tasters und eines Verbrauchers

Sie können sowohl konventionelle Taster als auch sogenannte SPS-Taster an den Miniserver anschließen. Mehr zum Thema und Empfehlungen finden Sie in unserem Blog >