Índice
Introducción
El Sensor de presión 0-10V 0,03 bar es el ideal para la medición de presión en un intervalo inferior, como por ejemplo para medir el nivel de agua en una piscina. Gracias a este sensor y al Miniserver se puede controlar el nivel de agua y que automáticamente se inicie el llenado si es necesario.También tiene numerosas aplicaciones para sistemas de calefacción, ventilación,monitoreo de bombas, sistemas generales del edificio y mucho más.
Datos técnicos
| Salida | Salida: 0-10V
Resistencia de carga:> 5.0 k-ohmios Suministro I: <10 mA |
| Tensión de alimentación | 24 (15-30) VCC |
| Rango de medición | 0 – 0,03 bar |
| Sobrecarga | max. 2 bar |
| Presión de rotura | 3 bar |
| Conexión de presión | Relativo – 1.4404 – G ½ «afuera |
| Conectores | EN175301-803-A Mat.: PA |
| Tiempo de subida | 1 ms / 10 … 90% (presión nominal) |
| Retraso | máximo 1,5 s |
| Incluyendo | Junta tórica: FKM
Amortiguación de los picos de presión: Ø 0.3 mm Toma de cable: EN 175301-803-A (43650-A) |
| Temperatura de funcionamiento | -25 – +85 °C |
| Temperatura ambiental | -25 – +125 °C |
| Protección | IP65 |
| Humedad | max. 95% relativa |
| Vibración | 4g (10 – 2000Hz) |
| Choque | 50 g / 8 ms |
| Protección EMC | Emisión: EN / IEC 61000-6-3
Inmunidad: EN / IEC 61000-6-2 |
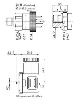
Dimensiones

Esquema de conexión
Puesta en Marcha
Para la puesta en marcha del Sensor de Presión hace falta realizar la corrección en la entrada analógica para poder leer los valores exactos. Los valores de la corrección los puede ver en la siguiente imagen.

Al ser una entrada analógica no tiene ninguna unidad de visualización por lo que se tendrá que añadir una unidad en las propiedades del config.

Descargas
En la siguiente lista puede encontrar más información sobre el producto.
| Hoja de datos del sensor | datasheet_Sensor.pdf |