Für ein besseres Erlebnis empfehlen wir die Website für Schweiz mit passenderen Inhalten für Ihren Standort.

Close Banner
🇨🇭 Schweiz Chevron Down
  • 🇨🇭 Schweiz
  • Land oder Region auswählen
Close Banner

Planten beschermen tegen vorst

In het kort: planten beschermen tegen vorst dankzij Loxone

Boeren zijn afhankelijk van een rijke oogst. Daarom is het monitoren van de planten belangrijk. Ze moeten ervoor zorgen dat de planten gezond zijn en voldoende water krijgen, maar ze moeten de planten bovendien beschermen tegen vorst.

Om een vorstbescherming voor planten te garanderen, moet men steeds op de hoogte zijn van de weersomstandigheden. Als voorspellingen nachtvorst voorspellen, moet men worden gewaarschuwd en moet de boer opstaan ​​om de planten en gewassen te beschermen. Een oplossing is om op dat moment de planten te bewateren.

Door gewasplanten te bewateren beschermt u de belangrijke bloesems met een laagje water. Het water bevriest, maar van binnen is de bloesem beschermd. Binnen in het bevroren water is het warmer dan daarbuiten. Zolang er vorst is, moet de boer de gewasplanten irrigeren. Zodra het warmer wordt, kan de bewatering worden gestopt. De bevroren bloesems zullen ontdooien.

Meestal staat een boer ’s nachts meerdere keren op of controleert hij de hele nacht zijn planten wanneer er vorst wordt voorspeld. Dit is een zeer zware klus, maar noodzakelijk om zijn oogst en zijn bedrijf te redden.

Loxone kan hierbij helpen en het hele proces automatiseren. Van het bewaken van de temperatuur tot het automatisch bewateren van de planten. Zo kan de boer genieten van zijn welverdiende rust!

Oplossing & Configuratie: planten beschermen tegen vorst door de planten te bewateren

Om het proces van vorstbescherming te automatiseren is het volgende nodig:

  • Monitoring van de temperatuur
  • Automatisering van het irrigatiesysteem
  • Meldingen voor de boer

 

Monitoring van de temperatuur

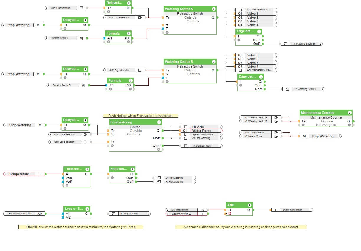
De buitentemperatuur moet 24/7 worden bewaakt. Door gebruik te maken van een 1-Wire temperatuursensor wordt de bodemtemperatuur gemeten. Daarnaast levert het Weerstation in combinatie met de Weather Service informatie over de wind, luchttemperatuur, regen en een weersvoorspelling. Deze drie bronnen zijn nodig om de temperatuur te kunnen volgen. Afhankelijk van de temperatuur wordt het irrigatiesysteem in- of uitgeschakeld om de planten te beschermen tegen vorst. Als de temperatuur lager is dan 1°C, start de bewatering en dit blijft geactiveerd totdat de temperatuur weer stijgt tot meer dan 10°C.

Automatisering van het irrigatiesysteem

Op de velden van de gewassen is een irrigatiesysteem geïnstalleerd. Afhankelijk van de grootte is het veld vaak ook verdeeld in verschillende gebieden met een eigen irrigatiesysteem. De waterleiding van het veld is aangesloten op een waterbron zoals een watertank of een ander waterreservoir. Een klep op elke buis reguleert of er water doorheen stroomt. Deze kleppen worden geïntegreerd in het Loxone systeem met een Relay Extension.

Het water uit de tank of het reservoir wordt geleverd door een pomp die ook is geïntegreerd in het Loxone systeem. De pomp wordt automatisch ingeschakeld wanneer het automatisch water geven aan de planten nodig is op basis van de temperatuur, door handmatige activatie en afhankelijk van het waterniveau in het waterreservoir. Afhankelijk van welk veld moet worden besproeid, wordt de klep van de afhankelijke waterleiding geopend en begint het bewateren van de planten.

Het monitoren van het waterreservoir is een belangrijk thema voor de boer. Daarom meet een ultrasone sensor het waterpeil. Het zorgt er ook voor dat de pomp niet wordt geactiveerd als er niet genoeg water is. Zo kan er ook geen schade ontstaan aan de pomp.

Als het veld van de gewassen in meerdere velden is verdeeld, moeten de velden één voor één of één of twee naast elkaar worden geïrrigeerd. De druk van de waterleiding zou niet hoog genoeg zijn om alle velden tegelijk te besproeien. Daarom regelt het automatiseringsproces, afhankelijk van vooraf gedefinieerde tijden voor elk veld, het openen van de kleppen. Dus eerst zone 1 en daarna zone 2 worden 20 minuten geïrrigeerd.

Als de boer de gewassen tijdens de irrigatie moet controleren, kan hij de irrigatie handmatig uitschakelen in de Loxone App. Nadat de bewatering is gestopt, blijven de kleppen nog 5 minuten openstaan om ervoor te zorgen dat de leidingen leeglopen en er geen water meer in zit. Als het waterpeil in de watertank onder de drempel ligt, staat de pomp ook nog 5 minuten aan.

Meldingen voor de boer

Hoewel het geautomatiseerde irrigatiesysteem veel van zijn werk overneemt, wil de boer altijd op de hoogte worden gehouden als er iets gebeurt. Als de irrigatie stopt, krijgt de boer een melding via de Loxone App om hem te informeren.

Naast de weersvoorspelling is het ook belangrijk om te weten of er problemen zijn met een van de pompen. Door de Nano 2 Relay Tree te gebruiken om de pomp te integreren, kan de huidige stroomdetectie worden bewaakt. Zo weet u of de pomp stroom gebruikt en werkt. Als de huidige stroomdetectie herkent dat er geen stroom stroom is, zelfs als het irrigatiesysteem moet worden geactiveerd, wordt de boer op de hoogte gebracht via een telefoontje via de Loxone Caller Service. Op deze manier kan hij snel reageren en schade aan zijn gewassen vermijden.

De configuratie in Loxone Config

Drempelschakelaars worden gebruikt om de pomp te activeren afhankelijk van de gemeten temperatuur. Via een schakelblok kan de pomp ook handmatig worden geactiveerd of gedeactiveerd in de Loxone App. De kleppen van de waterleidingen zijn aangesloten op het schakelblok. Een onderhoudsteller geeft informatie hoe lang het irrigatiesysteem al is geactiveerd.

Hardware:

Configuratie:


Planten beschermen tegen vorst

Download de voorbeeld configuratie:

Frost Protection Watering

Config 10.3.11.27

Waarom u en uw klant een vorstbescherming van planten moeten overwegen?

De boer is afhankelijk van zijn oogst. Als er schade is, verliest hij veel geld en in het slechtste geval zijn bedrijf. De gewassen en planten beschermen tegen vorst is hierdoor noodzakelijk.

Voor de boer geldt: hoe meer informatie hij over temperatuur- en weersvoorspellingen kan krijgen, hoe beter. Geautomatiseerde meldingen maken zijn werk eenvoudiger. De automatisering van de bewatering helpt hem dit niet handmatig te doen en bespaart hem veel tijd.

 

De lokale regelgeving en normen moeten in acht worden genomen. De inhoud van deze pagina maakt bepaalde aannames over de installatie. De informatie op deze pagina vervangt de contextuele kennis van een Loxone Partner niet. Voor een professioneel geïnstalleerde oplossing kunt u contact opnemen met een Loxone Partner om een van de in deze Use Case genoemde functionaliteiten te realiseren.

Meer praktijkvoorbeelden in deze reeks